服务热线7×24小时全天候销售服务热线

13350355997

净油机

  • 离心滤油机
  • 离心机
  • LXT-150LTP型离心滤油机

LXT系列离心滤油机

    量:  9000L/h()       

         速:  7200 r/min

         数:  6950                       

         式:  自动全部排渣;

    向心泵输出压力:  ≥0.2MPa               

         度:  ≤4.5 mm/s

    级:  ≤88 dB(A) 



一、概述

LXT-150LTP型离心滤油机主要应用在在润滑油、液压油、汽轮机透平油、柴油、轻质燃油等矿物油的净化和澄清处理,用来去除油中的水分、机械杂质及部分有害物质。此机型为自动清渣型分离机,分离效率高,无需拆机即可实现全部排渣,另外根据需求可实现全自动控制,大大降低了操作人员的劳动强度。

本机经精确的动平衡校验,振动极小,可长时间运行,使用安全可靠。

二、技术及性能参数介绍

量:  9000L/h()       

     速:  7200 r/min

     数:  6950                       

     式:  自动全部排渣;

向心泵输出压力:  ≥0.2MPa               

     度:  ≤4.5 mm/s

级:  ≤88 dB(A)

加热器过滤: 9kW(可根据客户要求设计)

     率:  5kW           

     量:  ~650 kg                              

     寸:  1265mmX645mmX1300mm(长X宽X高)

转鼓结构原理图:

image.png


各种矿物油的分离条件和实际处理量

油品

燃料油

润滑油

馏分燃料油

残渣燃料油

优质油

净化油

汽轮机油

运动粘度/

(mm2/s)

1.9~5.5

5.5~24

60

80

120

180

380

460

600

100~120

61.2~74.8

40℃

50℃

40℃

40℃

 密度/

  (kg/mm3)(20℃)

<900

900~991

880~900

<900

分离温度/℃

20

40

75

80

90

98

80

75

实际处理量与额定处理量的比值/%

130

100

70~75

60~65

55~60

45~50

35~40

25~30

20~25

50~60

25~30

80~85

注:实际处理量与额定处理量的百分比数是以额定处理量为100%时的比值

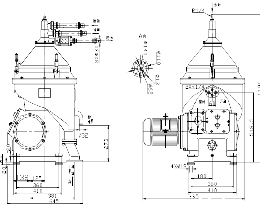
三、外形及安装尺寸图

image.png


外形及安装尺寸图

四、供货范围

    

     离心分离机一台(含电动机);备件一套;专用工具一套;合格证书一份;随机出厂资料一套(含装箱清单、操作维护手册)

    根据合同要求,可提供控制箱和其他辅件。

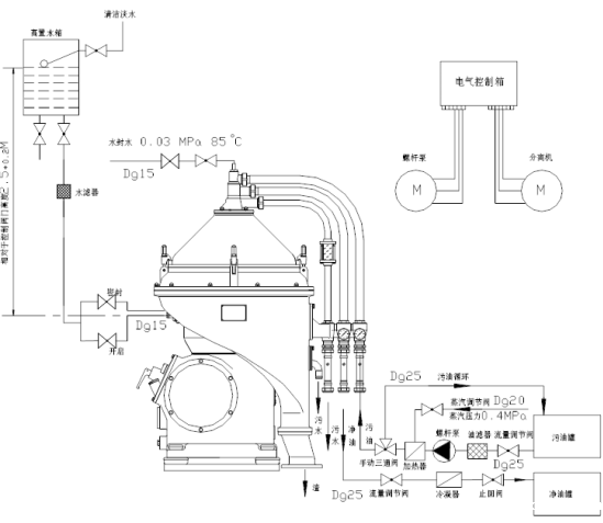
image.png

手动操作控制系统图

image.png


  获取报价选项

*如果您有滤油机配置需求,请备注!*



栏目导航

联系凯潜

地址:重庆市沙坪坝区覃家岗镇新桥村石梯沟社幸福小区

销售部:023-65217597

技术部:(86)13350355997
023-65217916

售后部:023-65217916

传 真:023-65217916

QQ: 2904490491

邮箱: KQGY668@163.com

服务热线

13350355997

功能和特性

价格和优惠

获取内部资料

扫码添加获取报价!

Baidu
map