服务热线
13350355997
作者: 凯潜滤油机 发布时间:2019-11-17 14:19 点击量: 来源:
《废油脱水净化工艺技术》

1.废油脱水净化设备工艺技术概述
润滑油作为工业血液,在国民经济发展中起到不可替代的作用,每年我国消耗大量润滑油。使用过后产生的废旧润滑油只有少量组分变质乳化或者仅仅是受到污染,若直接废弃不仅污染环境也是极大的浪费。2009-2016年润滑油生产及消耗量如图1所示。图1.2009-2016年我国润滑油产量及消费量走势图
车用润滑油是润滑油_主要的消费品种,_车用润滑油需求量占达到 55%,工业润滑油约占润滑油总需求量的 45%,而每年润滑油用量在不断的增长。
各国对行业环境用油都规定了换油期或换油标准。每年换下来的废润滑油量非常大。而废润滑油中存在氧、氮、烃、硫的有机化合物及化学添加剂,这些废油若被丢弃或燃烧,不仅造成能源的极大浪费而且会造成严重的环境污染,中国废机油属于危险废物HW08,已经纳入国家重点监控。废机油中含有致癌、致突变、致畸形物质及废酸、重金属等物质,难以自然分解,对环境的污染相当大,一旦渗入泥土中,土壤几十年都无法修复,1斤废润滑油油可污染1000吨清水。废油润滑油过滤利用受到.各国的高度重视。因此针对废润滑油的回收再利用也随之展开。
废旧润滑油中正在变质的只有3%左右,其主体仍是好的基础油。润滑油在使用过程中引入杂质可分为以下几大类:
(1)水分杂质:使用过程中无意引入的机械杂质,水分、如灰尘、泥沙、纤维、金属粉末等。混入的水分;碳粒;碳青质、油焦质、润滑过程中氧化产生的胶质及沥青质。
(2)酸类:主要是油溶性有机酸,有时也含有水溶性酸(包括无机酸和低分子量有机酸。过氧化物;中性含氧化合物,包括脂类、醚类和某些羰基化合物。
(3)皂类;添加剂消耗后产生的化合物。
将工业生产中的废旧润滑油,压缩机油,液压油,抗磨液压油,变压器绝缘油、齿轮油等乳化油中的水分杂质用废油脱水净化设备去除,得到基础油重复利用具有钜大的经济价值与社会效益。
将乳化油脱水净化、脱水后重复利用一般需要的工艺分为三步:
(1). 首先用废油净化设备将乳化油过滤,脱除杂质和脱水,投资小见效快(可以直接卖给收油企业到下一步工艺过滤处理)。
(2). 乳化油脱水除杂质,将油水分离后的润滑油进行减压分子蒸馏工艺得到一类基础油。
(3)第三 将基础油精制后可以直接出售。
2.废油脱水工艺流程介绍
2.1 废油脱水设备工艺流程:
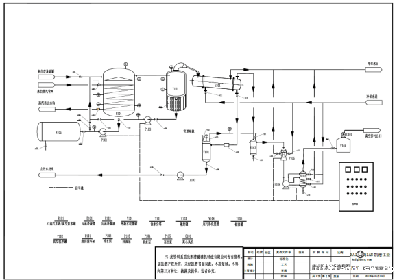
将含杂质和水分的废油通过蒸汽换热器加热到80℃→到过滤机除去5-15um杂质然后到储油罐→再蒸汽换热器加热至100℃→进入螺旋喷淋雾化系统,废油变为雾状到高真空分离塔,水分即开始蒸发,油雾,在真空分离塔内形成立体的,多层面的蒸发结构,从真空分离塔中分离出来的水蒸气热空气进入冷疑器,大部分水蒸气凝结为水存入积水罐,水分通过聚结分离机净化后排出机外。净化后的润滑油通过塔底排油泵排出完成一个净化循环。
(1)预处理过滤
废油通过化验室化验进行品位分析,然后通过换热过滤,除去大块固体杂质,如废手套、粉末、废螺丝、废抹布等,废油过滤后进入储存罐。
(2)高真空脱水
废油脱水设备采购用高真空立体三维油水分离技术,油水分离效果能达到98%,经过脱水润滑油中含水量2%左右。
![VSIEU8T7$NF4MY1`6A]%ZXI.png 废油脱水净化设备工艺技术](/uploads/allimg/191117/14192K138_0.png)


2.2.设备技术原理
废润滑油脱水设备采用减压雾化闪急蒸馏技术,它不同于传统蒸馏依靠沸点差分离原理,(比如;传统沸点差分离100℃左右,而高真空雾化闪急分子蒸馏技术在50℃-80℃左右既可分离脱出完油中的水分)而是靠不同物质的分子运动平均自由程的差别来实现液-液分离。其,分子运动自由程是指一个分子相邻两次碰撞之间所走的路程。当含水油液受热后,水的轻、重分子会溢出液面而进入气相,由于轻、重分子的自由程不同,因此,不同物质的分子从液面溢出后移动距离也不同来实现达到物质分离的目的。减压雾化闪急蒸馏技术不但加快了水分子溢出时间,既提高处理效率。
2.3.废油真空脱水技术优势
3.1.采用雾化闪急蒸馏工艺技术,具有其它分离技术无法比拟的优点:
(1)工作温度低(远低于沸点)、真空度高(空载≤5Pa)、受热时间短(以秒计)、分离效率高等,特别适宜于高沸点、热敏性、易氧化物质的分离。
(2)可有效地脱除低分子物质(脱臭。
(3)其分离过程为物理分离过程,可很好地保护被分离油品不被二污染(因为沸点低),特别是可保持油品提取物的原来品质。
(4) 分离程度高,高真空分子蒸馏技术,远高于传统蒸馏及普通的短程蒸发器。
(5)高真空降低物料沸点;因废油里的胶质,沥青,游离碳等杂质非常多,可以有效的防止这些物质结焦,对设备长期使用有效保障的同时提高废油脱水的油产量。
(6)油料温度在50-80℃之间真空度在100-300Pa,水分即可拔出。
本文来源:m.yijiagousm.com.转载请注明!

地址:重庆市沙坪坝区覃家岗镇新桥村石梯沟社幸福小区
销售部:023-65217597
技术部:(86)13350355997
023-65217916
售后部:023-65217916
传 真:023-65217916
QQ: 2904490491
邮箱: KQGY668@163.com