服务热线7×24小时全天候销售服务热线

13350355997

当前位置: 滤油机 > 新闻动态 > 滤油机技术

滤油机技术

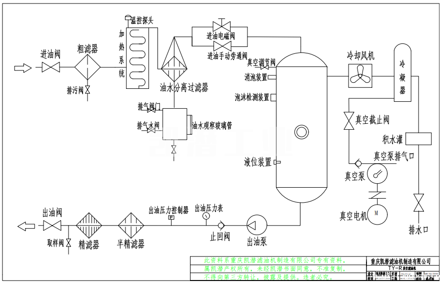
透平油真空滤油机图解

作者: 凯潜滤油机 发布时间:2021-03-19 11:40 点击量: 来源:m.yijiagousm.com

透平油真空滤油机图解

真空滤油机平面

透平油真空滤油机流程图:

真空滤油机流程

栏目导航

联系凯潜

地址:重庆市沙坪坝区覃家岗镇新桥村石梯沟社幸福小区

销售部:023-65217597

技术部:(86)13350355997
023-65217916

售后部:023-65217916

传 真:023-65217916

QQ: 2904490491

邮箱: KQGY668@163.com

服务热线

13350355997

功能和特性

价格和优惠

获取内部资料

扫码添加获取报价!

Baidu
map