服务热线
13350355997
作者: 凯潜滤油机 发布时间:2019-11-16 21:17 点击量: 来源:

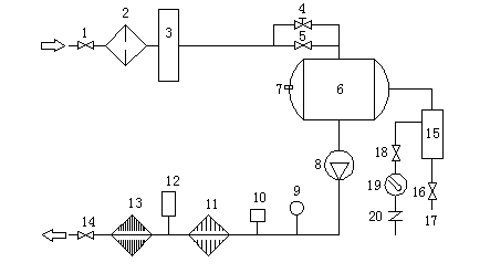
(1)将需要处理的污油通过压力滤油机初步在贮油罐内循环过滤掉油中杂质;
(2)将油输入加热器,压向真空罐进行喷雾;
(3)待真空罐内的油位表达到1/2时的油量时用另一台油泵,将罐内的油抽出至贮油罐,如此不断循环,并控制真空罐内进油压力为2~3公斤/平方厘米,同时调节出油,达到进出油量平衡;
(4)待加热器出油温度达50~70℃时,开启真空泵,使罐内真空度逐渐提高,至额定值为止,油循环趋于正常运行,直至油中的除水、脱气达到合格为止。
油的净化
用化学方法或物理方法:化学方法使油恢复原来的性质,叫做油的净化。
油的净化一般采用吸附剂的方法,如粒状白土过滤法、硅胶过滤吸附法以及活性氧化铝过滤吸附法等。它们能吸附油劣化后所产生的氧化物,如酸类、胶质、水分以及油泥沉淀物等。
1.变压器油的净化
通常将吸附剂放置于变压器外的吸附器上,这种方法叫做热虹吸法。工作原理如下:变压器带负荷时,油因受热密度变小,油自变压器的上部流入吸附器,油在流动过程中,逐渐冷却密度变大,从吸附器底部流回变压器。吸附器内装有吸附剂,油在运行中因氧化所生成的氧化物通过吸附剂时被吸附,从而使运行中的油处于合格状态。
2.透平油的净化
考虑到运行设的_和吸附器的布置,除强迫油循环系统可采用连续性净化外,一般采用非连续性净化,即机组检修时,对油进行机械净化处理,同时进行油的净化。
3.运行油净化应注意几个问题:
(1)油的质量很好时,进行油的净化,能使油长期保持良好的质量;
(2)吸附剂的粒子不可过小,吸附剂中的气体清除后方可使用;
(3)油净化之前将水分可以提高油净化的效果;
(4)为了使油系统保证正常循环,吸附器安装尽量减少管道的弯曲。