服务热线
13350355997
作者: 凯潜滤油机 发布时间:2023-11-02 16:27 点击量: 来源:www.kaiqiancq,com
透平油滤油机和压力滤油机都是常见的滤油设备,但它们在工作原理和应用范围上存在一些区别。
一、工作原理:
透平油滤油机:透平油滤油机利用精密机械过滤的原理将油中的杂质分离出来。它包括一级粗滤芯、二级半精滤芯及三级精密滤芯,进行逐级加密纳污,当油液进入滤芯后,由于滤芯精度不同产生阻隔,杂质和固态颗粒会被推到滤芯外壁上,清洁的油液则通过滤芯的中心孔流回系统。
压力滤油机:压力滤油机利用压力差将油液通过滤纸进行过滤。油液通过压力泵加压,进入滤槽内部,通过滤纸的孔隙大小进行过滤。较小的杂质和颗粒会被滤纸阻挡,而清洁的油液则通过滤芯的通道回到系统中。
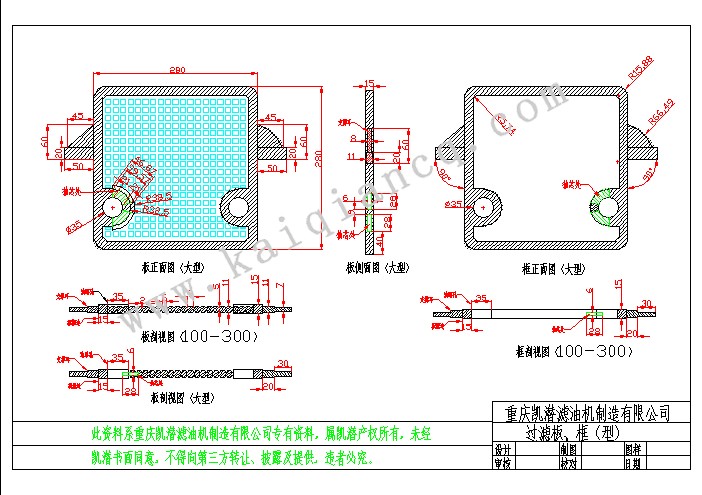
二、滤芯结构:
透平油滤油机:透平油滤油机滤芯第一级采用进口不锈钢材料与特殊的结构,第二级采用径向折叠专业滤芯精度高,第三级精密滤芯采用进口滤材,木质纤维滤芯和PH玻纤棉滤芯,该精密滤芯主要采用木质纤维为原材料,具有较大的过滤面积和高效的分离性能,滤芯通量为额定流量的5倍,即使大部分堵塞,仍能满足滤油流通的需要。
压力滤油机:采用滤板与框中间夹纸压紧,然后来过滤润滑油,主要取决于滤纸的精度达到过滤杂质的目的,滤板及铝框采用铝合金材料制成。

三、滤油精度:
透平油滤油机:透平油滤油机通常能够达到较高的滤油精度,可以有效去除微小颗粒和固态杂质,以保证油液的清洁度。常见的滤油精度范围为1-5微米。
压力滤油机:压力滤油机主要用于去除较大的固态杂质和颗粒,对微小颗粒的过滤效果相对较差。其滤油精度通常在10-50微米范围内,取决于所使用的滤芯孔隙大小。
四、加热系统:
透平油滤油机:配备充足的进口法国捷艾碳纤维多极管路循环式加热器,确保油液快速均匀升温,而且有效杜绝油品局部受热不均产生油品碳化劣变。
压力滤油机: 压力滤油机不含加热系统,作为常压过滤设备,运用也非常广泛。
五、应用范围:
透平油滤油机:透平油滤油机常用于精密润滑油、液压油、齿轮油等高精度滤油的领域。它适用于对油液中微小颗粒和固态杂质要求较高的场合。
压力滤油机:压力滤油机广泛应用于工业生产中的各类液体过滤,如润滑油、液压油、燃油等。它主要用于去除较大颗粒和固态杂质,满足一般滤油要求。

需要根据具体的应用需求来选择透平油滤油机或压力滤油机,以确保能够达到所需的滤油效果和精度。在某些情况下,可以结合使用这两种滤油设备,以提供更全面的滤油处理。

地址:重庆市沙坪坝区覃家岗镇新桥村石梯沟社幸福小区
销售部:023-65217597
技术部:(86)13350355997
023-65217916
售后部:023-65217916
传 真:023-65217916
QQ: 2904490491
邮箱: KQGY668@163.com