服务热线
13350355997
作者: 凯潜滤油机 发布时间:2020-05-19 14:45 点击量: 来源:
变压器真空滤油机根据减压分离,分子吸附、真空干燥、机械精密过滤原理。
变压器真空滤油机为单独的一台整机,无任何附属机械设备,利用水的饱和温度曲线和真空干燥原理进行立体的、多层面的快速效率高油水分离技术,多级大通量深层次精密过滤技术,经处理后的油品达到国标使用标准。
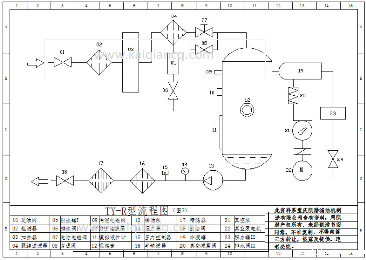
变压器真空滤油机过滤原理图:

地址:重庆市沙坪坝区覃家岗镇新桥村石梯沟社幸福小区
销售部:023-65217597
技术部:(86)13350355997
023-65217916
售后部:023-65217916
传 真:023-65217916
QQ: 2904490491
邮箱: KQGY668@163.com